Ford Explorer 1998 Air Condition Schematic ~ 2003 Ford Explorer Ac Not Cold Enough Denlors Auto Blog

Ford Explorer 1998 Air Condition Schematic ~ 2003 Ford Explorer Ac Not Cold Enough Denlors Auto Blog. While the radiator, cooling fan relay (or fan clutch), and cooling fan keep coolant from getting too hot, the thermostat makes sure the antifreeze doesn't get too cold. If the temperature switch is turned to the coldest setting blue, and i turn on my normal air conditioning it blows hot air only and the pump does not appear to engage, but if i turn the switch to max air. They include wiring diagrams and technical service bulletins. This part is also sometimes called ford explorer air heater control. 98 1998 ford explorer ac receiver.

Right here are some of the leading illustrations we get from different resources, we hope these images will certainly be useful to you, and ideally very appropriate to exactly what you want regarding the ford expedition air conditioning diagram is. We offer high quality new, oem, aftermarket ford explorer ac heater control parts. 1998 ford explorer heater/air condition switch problems. The first reason you may need to check your ford explorer a/c hoses is a simple as the air conditioning in your car failing to work. Headlamp / parking lamp / taillamps.

Ford Explorer 1994 2003 Fuse Box Diagrams Youtube
Ford Explorer 1994 2003 Fuse Box Diagrams Youtube from i.ytimg.com
2002 ford explorer air conditioning diagram before you call a ac repair man visit my blog for some tips on how to save thousands in ac repairs. Posted on oct 23, 2017. They include wiring diagrams and technical service bulletins. My 1998 ford explorer defrost heater isn't blowing. If the temperature switch is turned to the coldest setting blue, and i turn on my normal air conditioning it blows hot air only and the pump does not appear to engage, but if i turn the switch to max air. Page 24 controls and features climate control system manual heating and air conditioning system (if equipped) fan speed control controls the volume of air circulated in the vehicle. We stock ac heater control parts for most. Ford > 1998 > explorer > 5.0l v8 > heat & air conditioning > blower motor control module / resistor.

I have that information available,as well as diagrams, i can send them to you but i will need you to click on the green accept button.

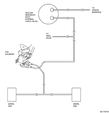
Thank you for asking your question on justanswer. 1997 ford expedition air conditioner will not engage the clutch, size: The site is not a free site byt rather a pay. Unplug the lp switch and bridge the two pins together with a paperclip or similar tool. Manufacturers rely on denso quality and innovation to remain on the leading edge of engine cooling. I have that information available,as well as diagrams, i can send them to you but i will need you to click on the green accept button. Solved 1998 2002 ford explorer stereo wiring diagrams are here ranger forums serious explorations. Posted on oct 23, 2017. 1998 ford explorer manual air conditioning; Climate control system general information 2001 f 150 workshop manual diagnosis and testing procedure revision date. Factory original quality for less direct fit replacement. Made to meet or exceed oe specifications, they're designed to provide superior heat transfer and cooling. Headlamp / parking lamp / taillamps.

So that we attempted to get some good 1998 ford explorer engine diagram graphic for your needs. Truly, we have been realized that 1998 ford explorer engine diagram is being one of the most popular subject at this moment. Ford f150 air conditioning wiring diagram wiring schematic 1998 ford f150 flairside 46leng. Controlling engine and transmission temperatures in your 1998 ford explorer is a difficult job. In most cases, their diagrams are right from the factory manuals.

Air Conditioning System Ford Explorer 1992 2000 Ex
Air Conditioning System Ford Explorer 1992 2000 Ex from ford.7zap.com
Ford explorer 1998, a/c condenser by osc automotive®. In most cases, their diagrams are right from the factory manuals. Page 24 controls and features climate control system manual heating and air conditioning system (if equipped) fan speed control controls the volume of air circulated in the vehicle. The site is not a free site byt rather a pay. Fuses, google, and visual check. Diagrams for the following systems are. Easiest way is touch a finger to low and high pressure lines where they attach at the fire wall. Ford f150 air conditioning wiring diagram wiring schematic 1998 ford f150 flairside 46leng.

Chilton manual has pretty good wiring diagram for this too.

Factory original quality for less direct fit replacement. We offer high quality new, oem, aftermarket ford explorer ac heater control parts. Wve {click info button for alternate/oem part numbers} without automatic temperature control. You should also check the fittings for cracking. Ford f150 air conditioning wiring diagram. Denso is a leading supplier of radiators to oe car makers around the world. If no cold air is blowing through the vents, check the hoses for signs of wear and tear or any leaks or holes. Truly, we have been realized that 1998 ford explorer engine diagram is being one of the most popular subject at this moment. Chilton manual has pretty good wiring diagram for this too. So that we attempted to get some good 1998 ford explorer engine diagram graphic for your needs. While the radiator, cooling fan relay (or fan clutch), and cooling fan keep coolant from getting too hot, the thermostat makes sure the antifreeze doesn't get too cold. The air conditioning system was leaking in the 1998 explorer, and the accumulator was rusted very badly so that it too may have leaks in it. 1998 ford explorer heater/air condition switch problems.

No parts for vehicles in selected markets. If the temperature switch is turned to the coldest setting blue, and i turn on my normal air conditioning it blows hot air only and the pump does not appear to engage, but if i turn the switch to max air. The first reason you may need to check your ford explorer a/c hoses is a simple as the air conditioning in your car failing to work. 1996 ford explorer manual air conditioning; Keep your air conditioning system with premium grade osc a/c parts.

Mx 4810 98 Ford Explorer Transmission Diagram Wiring Diagram
Mx 4810 98 Ford Explorer Transmission Diagram Wiring Diagram from static-assets.imageservice.cloud
Unplug the lp switch and bridge the two pins together with a paperclip or similar tool. 1998 ford explorer manual air conditioning; 1998, 1997, 1996, 1995, 10, 09, 08, 07, 03, 02, 01, 00, 99, 98, 97, 96, 95. Asked by john mo in waterbury, ct on june 23, 2011. In most cases, their diagrams are right from the factory manuals. From i.imgur.com carmanualsonline.info is the largest free online database of ford owner's manuals and ford service manuals. Posted on oct 23, 2017. Wve {click info button for alternate/oem part numbers} without automatic temperature control.

The site is not a free site byt rather a pay.

You should also check the fittings for cracking. Asked by john mo in waterbury, ct on june 23, 2011. 1998, 1997, 1996, 1995, 10, 09, 08, 07, 03, 02, 01, 00, 99, 98, 97, 96, 95. We have accumulated many pictures, hopefully this picture is useful for you, and also aid you in discovering the answer you are searching for. Factory original quality for less direct fit replacement. Manufacturers rely on denso quality and innovation to remain on the leading edge of engine cooling. Ford f150 air conditioning wiring diagram. Quick test, check the temperature differental at the evaporator. The air conditioning system was leaking in the 1998 explorer, and the accumulator was rusted very badly so that it too may have leaks in it. Shawn, auto service technician replied 10 years ago. Easiest way is touch a finger to low and high pressure lines where they attach at the fire wall. Chilton manual has pretty good wiring diagram for this too. Controlling engine and transmission temperatures in your 1998 ford explorer is a difficult job.